|
YPF系(xi)列
膜片壓力表
适(shi)用于測量具有一(yi)定腐蝕性、非凝固(gu)或非結晶的各種(zhǒng)流體介🔞質的壓力(lì)或負壓。膜片壓力(li)表耐腐蝕性能取(qu)決🚶♀️于膜片材料。
|
|
◆結(jie)構原理
|
|
膜片壓力(lì)表由測量系統(包(bao)括法蘭接頭、波紋(wén)膜片)、傳動指🛀🏻示機(ji)💃構(包括連杆、齒輪(lun)傳動機構、指針和(hé)度盤)和外殼(包括(kuò)表殼和罩圈)等組(zǔ)成。膜片壓力表外(wài)殼爲防濺結構,具(jù)有較好的密性,故(gu)能保護其内部機(ji)構免受污穢浸入(rù)。
膜片壓力表的作(zuò)用原理是基于彈(dàn)性元件(測量系統(tǒng)上膜🐪片)變形。膜片(pian)壓力表在被測介(jiè)質的壓力作用下(xia),迫使膜片産生相(xiàng)應的彈性變形---位(wei)移,借助連杆組經(jīng)傳動機構的傳動(dong)并予放大,由固定(dìng)于齒輪上的指針(zhēn)逐将被測值在度(dù)盤🌏上指示出來。
|
|
◆主(zhu)要技術指示
|
|
精度(dù)等級:2.5
使用環境溫(wēn)度:-40~+70℃;相對濕度不大(dà)于90%
溫度影響:使用(yòng)溫度偏離20±5℃時,其溫(wēn)度附加誤差不大(dà)于0.04%/℃
工作位置:垂直(zhí)安裝。
外殼防護等(děng)級:IP64
|
|
|
|
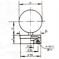
◆标度範圍(wei)、外形尺寸及重量(liang)
|
|
型号
|
标度範圍
|
承(cheng)壓部
寸D1
|
表殼
外徑(jing)D
|
重量kg
|
|
YPF-100A
|
0~0.6、0~0.1、0~0.16、0~0.25、0~0.4
0~0.6、0~0.1、0~1.6、0~2.5、-0.1~0
-0.1~0.06、-0.1~0.15、-0.1~0.3、-0.1~0.5
-0.1~0.9、-0.1~1.5、-0.1~2.4MPa
|
φ85
|
φ100
|
1.6
|
|
YPF-100B
YPF-100B-F
|
|
φ115
|
|
YPF-150A
|
φ85
|
φ150
|
1.8
|
|
YPF-150B
YPF -150B-F
|
|
φ115
|
|
YPF-100B
YPF-100B-F
|
0~1.6、0~2.5、0~4、0~6、0~10、
0~16、0~25、0~40*
-1.6~0、-2.5~0、-4~0、-6~0、-10~0
-16~0、-25~0、-40~0*
-0.8~0.8、-1.2~1.2、-2~2、-3~3、-5~5、
-8~8、-12~12、-20~20*kPa
|
φ160
|
φ100
|
2.9
|
|
YPF-150B
YPF-150B-F
|
φ160
|
φ150
|
3.2
|
|
|
*0~40、-40~0、±20KPa規格承壓部(bù)尺寸D1爲φ85
|
|
◆導壓系統(tong)及外殼等主要零(líng)件的材質
|
|
型号
|
名(míng)稱
|
導壓系統
|
表殼(ke)材料
|
|
膜片
|
法蘭接(jiē)頭
|
密封墊圈
|
|
YPF-100A
150A
|
膜片(pian)壓力表
|
Cr15Ni7Mo
(PH15-7Mo)
316H(≤25KPa)
|
1Cr18Ni9
|
丁腈橡膠(jiao)
|
鑄鋁
|
|
YPF-100B
150B
|
不鏽鋼膜片(piàn)壓力表
|
聚四氟乙(yǐ)烯
|
1Cr18Ni9
|
|
YPF-100B-F
150B-F
|
法蘭不鏽鋼膜(mó)片壓力表
|
|
|
|
YPF-100A
|
YPF-100B
|
YPF-100B
|
YPF-150A
|
YPF-150B
|
YPF-150B-F
|
|
D
|
φ100
|
φ110
|
φ110
|
φ150
|
φ160
|
φ160
|
|
H
|
66
|
66
|
66
|
91
|
91
|
91
|
|
h
|
32
|
32
|
36
|
32
|
32
|
36
|
|
|
|
|
|
|
|
|